
适合柔软的面条、粉条、豆芽菜等软性长条物料。

1. 采用高精度、高标准的特制传感器。
2. 出厂参数设置恢复功能,支持多段重量标定。
3. 缺料时可自动暂停,使称量更加稳定。
4. 运行中各线振幅可独立调节,使加料更加均匀。
5. 多种语言可供选用,操作方便,适用于全球市场。
6. 存贮100套参数设置,实现多种物料需求,帮助菜单,方便学习使用。
1. 所称量的物料长度最长可达到300mm。
2. 采用IP65防水机箱,接触物料部件采用花纹板材料。
3. 配备干燥除水装置,有效预防潮湿环境致电气部件损坏。
4. 下料斜槽为60°小夹角,物料下落更顺畅。
5. 采用正反可调节旋转主振机,物料可以均匀地进入线振盘;
6. 铸铝加厚整体中座增强了机器的强度,称量的稳定时间更短。
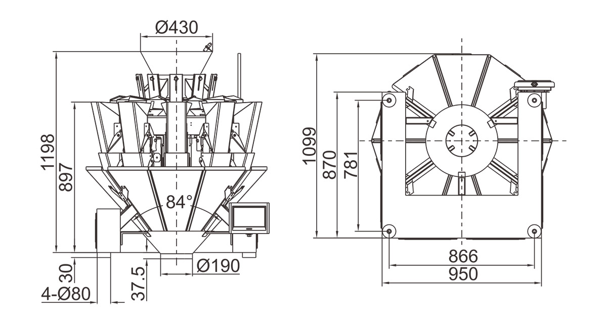
型号 | JW-A10 | JW-A14 |
识别代号 | A10-1-6 | A14-1-6 |
称重范围 | 10-1000g | 10-1500g |
称重精度范围 | X(0.5) | X(0.5) |
最大称重速度 | 30P/M | 60P/M |
料斗容量 | 2.5L | |
操作界面 | 7寸触摸屏 | |
选购装置 | 集料斗/数据打印装置/超重选别装置 | |
驱动方式 | 步进电机 | |
电源要求 | 200V/1000W/50/60/Hz/10A | 220V/1500W/50/60Hz/12A |
包装尺寸(mm) | 1620(L)x1100(W)x1420(H) | 1750(L)x1160(W)x1420(H) |
包装装置 | 380kg | 490kg |



