
适用于瓜子、花生、果仁、杏仁、葡萄干、糖果、开心果、薯片、虾条、饺子、肉丸等颗粒、膨化、五金件等各种颗粒状、片状、条状、圆状及不规则物料的定量称重。

1. 采用高精度的特制传感器。
2. 智能化的多次采样稳定模式,称量更精准。
3. 智能化的故障报警提示,维护更方便。
4. 高速异步放料功能,有效防止物料阻塞。
5. 全新高集成模块化设计,采用了CAN总线技术。
6. Modbus工业标准通信协议,实现组合秤和包装机界面合二为一。
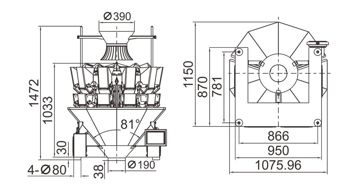
1. 1.6L/2.5L料斗,适合各种常见标准物料,适应范围广。
2. 7寸触摸屏,满足生产监控需求。
3. 上料盘双支撑更易调整,下料斗易拆设计、更方便清洁。
4. 大圆弧角口字型机箱,让机器更加协调美观。
5. 统一的设计标准,采用模具制作工艺,使各个零部件的互换性更强。
6. 整体式机箱和中座增强了机器的强度,使得料斗的稳定时间更短。
7. 另有简易型无弹簧可选。
型号 | JW-A10 | JW-A14 | JW-A10 | JW-A14 |
识别代号 | A10-2-1D | A14-2-1D | A10-2-1DW | A14-2-1DW |
称重范围 | 10-1000g | 10-1500g | 10-1000g | 10-1500g |
称重精度范围 | X(0.5) | X(0.5) | X(0.5) | X(0.5) |
最大称重速度 | 65 P/M | 120 P/M | 65 P/M | 120 P/M |
料斗容量 | 1.6L/2.5L | 1.6L(无弹簧) | ||
操作界面 | 7寸触摸屏 | |||
选购装置 | 花纹秤斗/集料斗/数据打印装置/超重选别装置 | |||
驱动方式 | 步进电机 | |||
电源要求 | 220V/1000W/50/60Hz/10A | 220V/1000W/50/60Hz/10A | 220V/1000W/50/60Hz/10A | 220V/1000W/50/60Hz/10A |
包装尺寸(mm) | 1620(L)x1080(W)x1120(H) | 1700(L)x1080(W)x1210(H) | 1620(L)x1080(W)x1120(H) | 1700(L)x1080(W)x1210(H) |
包装重量 | 400kg | 500kg | 400kg | 500kg |



